

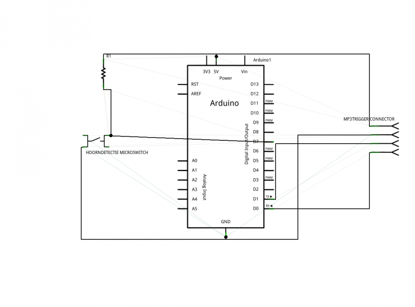
De poëziefoon is een oude bakelieten telefoon die een gedicht voorleest nadat je de hoorn hebt opgenomen. De telefoon bevat aan de binnenkant een Arduino microcontroller, een mp3-trigger print, een microswitch, een weerstand van 220 ohm en een aantal kleurige draden.
De poezifoon hebben wij gerepareerd en aangepast in opdracht van Trees Streeghs van het huis van gedichten. De poëziefoon is op dit moment te bekijken in de bibiotheek Den Haag Spoorwijk en zal binnenkort gaan rondreizen door het ganse land.
| Bijlage | Grootte |
|---|---|
| 542 bytes |